尊龙集团官网

首页- 尊龙集团中国官网入口
首页- 尊龙集团中国官网入口

旋转接头

首页 - 产品展示

big20224151722401379

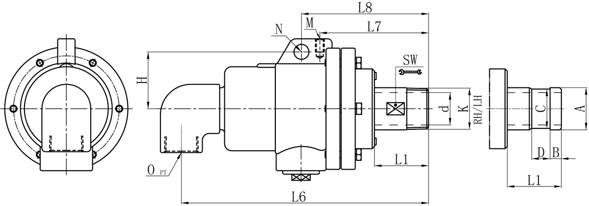
MXQ型 单通路

型号:MXQ
表管:螺纹或法兰
特点:球面密封设计 ; 尺度碳石墨密封技术 ; 可更换性密封底盖 ; 最大化轴承间距 ; 改进型接头和虹吸器支持 ; 旋转式或固定式虹吸器。

技术参数:
合用介质 扰淄、蒸汽
最高温度 ≤220℃(蒸汽),≤350℃(油)
最高压力 ≤1.8MPa
最高转快 20A-80A ≤250rpm; 90A-150A ≤100rpm


产品征询 返回列表

销售服务热线:

0595-8686 1188

首页- 尊龙集团中国官网入口


Model K O d L1 L6 L7 L8 M N H SW 法兰式表管尺寸对照表
A B C D
20A R3/4" Rc3/4" 18 46 199 96 / M10 / / 24 26 11 24 16
25A R1" Rc1" 23.5 51 212 109 / M10 / / 32 34 12 32 18
32A R1-1/4" Rc1-1/4" 30 55 245 108 124 M10 14 60 41 40 13 38 20
40A R1-1/2" Rc1-1/2" 36 62 280 133 149 M10 16 71 45 47.8 13 45 20
50A R2" Rc2" 45 71 326 150 173 M12 18 81 55 60 16 57 24
65A R2-1/2” Rc2-1/2” 58 76 368 157 183 M12 20 91 70 74 19 70 24
80A R3” Rc3” 72 87 441 187 214 M12 20 100 85 87 25 84 24

如属规格品表,本公司可共同要求造作。
规格尺寸如有批改,恕不另行通知。 

Copyright ?尊龙集团官网 版权所有 闽ICP备05026600号 中机尺度化钻研院 网站建设:科伟网络

【网站地图】