尊龙集团官网

首页- 尊龙集团中国官网入口
首页- 尊龙集团中国官网入口

旋转接头

首页 - 产品展示

big202110201137173305

MXQC2型 旋转接头

型号:MXQC2
表管:螺纹或法兰
特点:反球面密封; 尺度碳石墨密封技术; 宽间距多路无油轴承支持; 精密铸件壳体; 分体式设计; 可自动调心; 旋转轴表表经耐磨损、耐侵蚀处置; 密封磨损刻度线 ,可预防性守护设计; 偏摆适应性强; 双通路设计; 易于更换。

技术参数:
合用介质 蒸汽
最高温度 ≤220℃
最高压力 ≤2.0MPa
最高转快 ≤300rpm

产品征询 返回列表

销售服务热线:

0595-8686 1188

首页- 尊龙集团中国官网入口


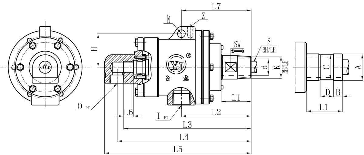
Model K I O S d L1 L2 L3 L4 L5 L6 L7 Z N SW H 法兰式表管尺寸对照表
A B C D
32A R1-1/4" Rc1" Rc3/4" Rp1/2" 30 54 128 232 246 270 18 132 M10 14 39 62 40 13 38 20
40A R1-1/2" Rc1-1/4" Rc3/4" Rp3/4" 36 57 142 262 276 300 20 143 M10 16 45 69 47.8 13 45 20
50A R2 Rc1-1/2" Rc1" Rp1" 45 70 170 303 317 343 22 176 M12 18 57 82 60 16 57 24

如属规格品表 ,本公司可共同要求造作。
规格尺寸如有批改 ,恕不另行通知。

Copyright ?尊龙集团官网 版权所有 闽ICP备05026600号 中机尺度化钻研院 网站建设:科伟网络

【网站地图】