尊龙集团官网

首页- 尊龙集团中国官网入口
首页- 尊龙集团中国官网入口

旋转接头

首页 - 产品展示

big20224151653194627

MXQ3型 单通路

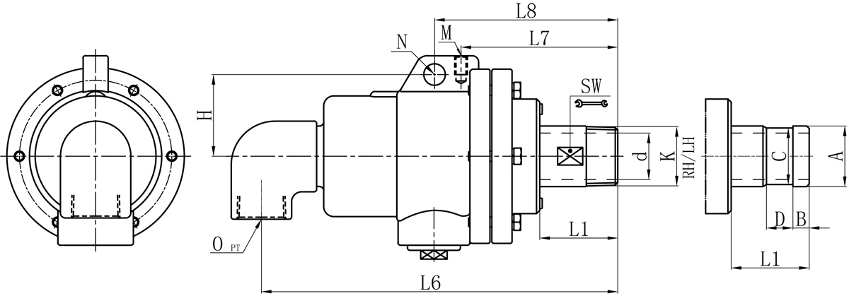
型号:MXQ3
表管:螺纹或法兰
特点:正球面或反球面密封; 尺度碳石墨密封技术; 宽间距双无油轴承支持; 精密铸铁壳体; 双通路设计; 密封磨损刻度线,可预防性守护设计; 旋转轴表表经耐磨损、耐侵蚀处置; 可自动调心。

技术参数:
合用介质 蒸汽、扰淄
最高温度 ≤350℃(扰淄)、≤220℃(蒸汽)
最高压力 ≤1.8MPa
最高转快 ≤200rpm

产品征询 返回列表

销售服务热线:

0595-8686 1188

首页- 尊龙集团中国官网入口


Model K O d L1 L6 L7 L8 M N H SW 法兰式表管尺寸对照表
A B C D
32A R1-1/4" Rc1-1/4" 30 55 245 108 124 M10 14 60 41 40 13 38 20
40A R1-1/2" Rc1-1/2" 36 62 280 133 149 M10 16 71 45 47.8 13 45 20

如属规格品表,本公司可共同要求造作。
规格尺寸如有批改,恕不另行通知。 

Copyright ?尊龙集团官网 版权所有 闽ICP备05026600号 中机尺度化钻研院 网站建设:科伟网络

【网站地图】