尊龙集团官网

首页- 尊龙集团中国官网入口
首页- 尊龙集团中国官网入口

Rotary Joint

Home - Products

big20224711344547

MXB2 80A Rotary Joint

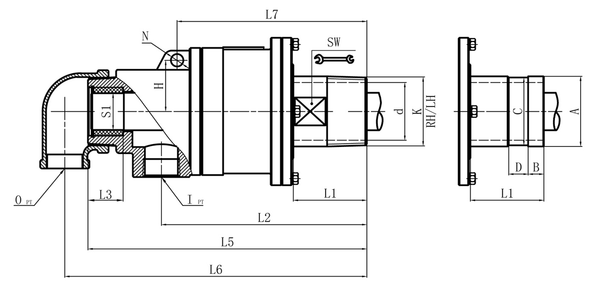
Model:MXB2
Outer pipe:Flange
Feature:Suitable for water, hot oil media;Plane seal design; Multi-spring design;Spring external balance design;Self-supporting design;Balanced non-metallic combined friction design or balanced non-metallic friction pair design;Low torque.

Technical Parameter:
Media Water、Oil
Max.Temperature ≤100℃(Water)、≤300℃(Oil)
Max.Pressure ≤1.0MPa
Max.Speed 80A ≤ 500rpm

Product consultation Back to list

Sales Service Hotline:

0595-8686 1188

首页- 尊龙集团中国官网入口
Model K M I O S S1 D1 L1 L2 L3 L5 L6 L7 L8 N SW H Flange outer tube size control table
A B C D
80A R3" Rc3" Rc2-1/2" Rc1-1/2" Rp1-1/2" 47 72 94 263 45 357 387 243 405 16 85 66 90 20 887 25

We offer customized products if special sizes.
Specifications are subject to change without notice.

Copyright ?Fujian Minxuan Technology Co., Ltd. all rights reserved 闽ICP备05026600号 中机尺度化钻研院 BY:KEW

【网站地图】