尊龙集团官网

首页- 尊龙集团中国官网入口
首页- 尊龙集团中国官网入口

旋转接头

首页 - 产品展示

big20224714562841

MXPH型 双通路(内管固定式)

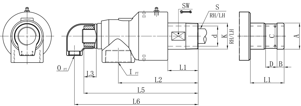
型号:MXPH
表管:螺纹或法兰
特点:平面式密封设计; 尺度浸锑或碳石墨密封技术; 平衡式非金属组合摩擦设计或平衡式非金属摩擦副设计; 单弹簧设计; 自支持式设计; 双轴承间距支持; 铜合金壳体; 单通路和双通路设计; 低扭矩。

技术参数:
合用介质 水、油
最高温度 ≤120℃(水)、≤260℃(油)
最高压力 ≤1.0MPa
最高转快 ≤1500rpm

产品征询 返回列表

销售服务热线:

0595-8686 1188

首页- 尊龙集团中国官网入口


Model K I O S S1 d L1 L2 L3 L5 L6 SW 法兰式表管尺寸对照表
A B C D
50A R2" Rp2” Rc1" Rp1” 32 46 69 181 25 261 285 57 60 16 57 24

如属规格品表,本公司可共同要求造作。
规格尺寸如有批改,恕不另行通知。 

Copyright ?尊龙集团官网 版权所有 闽ICP备05026600号 中机尺度化钻研院 网站建设:科伟网络

【网站地图】